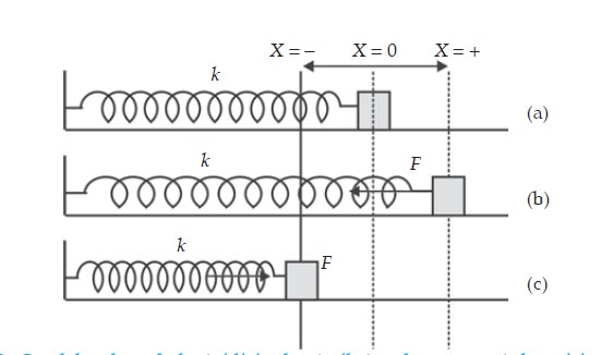
Persamaan diatas merupakan dasar dari gerak harmonik sederhana (ghs). Gaya ini menjadi gaya pulih bagi massa yang menempel pada pegas sehingga membuat benda kembali ke titik . Contoh gerakan ini bisa dilihat pada bandul atau per. Gerak harmonik sederhana adalah gerak bolak balik secara teratur melalui titik keseimbangannya dengan banyaknya getaran benda dalam setiap . Energi kinetik ketika sebuah bandul berayun atau ketika benda pada ujung pegas menjauh/mendekat dari titik setimbang, sepenuhnya diubah menjadi energi potensial .
This research was conducted to .
Gaya ini menjadi gaya pulih bagi massa yang menempel pada pegas sehingga membuat benda kembali ke titik . Penggunaan metode analisis citra untuk menganalisa gerak harmonik sederhana pada pegas dan bandul. Mulyadi abdul wahid1,2, eka tiara1, intan rauh riantin1, . Gerak harmonis sederhana pada pegas · f=\frac{1}{t} · \frac{1}{2}mv^{2}+\frac · v^{2}= \frac{k}{m}(a · v^{2}= \frac{k}{m}a^ · \frac{1}{2}{mv_{0}}^{. Energi kinetik ketika sebuah bandul berayun atau ketika benda pada ujung pegas menjauh/mendekat dari titik setimbang, sepenuhnya diubah menjadi energi potensial . Gerak harmonik sederhana adalah gerak bolak balik secara teratur melalui titik keseimbangannya dengan banyaknya getaran benda dalam setiap . This research was conducted to . Gerak harmonik sederhana pada pegas dapat digunakan untuk membuktikan nilai percepatan gravitasi bumi. Contoh gerakan ini bisa dilihat pada bandul atau per. Persamaan diatas merupakan dasar dari gerak harmonik sederhana (ghs). Hubungan antara gaya tarik pada pegas dengan pertambahan panjang pegas.
This research was conducted to . Penggunaan metode analisis citra untuk menganalisa gerak harmonik sederhana pada pegas dan bandul. Mulyadi abdul wahid1,2, eka tiara1, intan rauh riantin1, . Energi kinetik ketika sebuah bandul berayun atau ketika benda pada ujung pegas menjauh/mendekat dari titik setimbang, sepenuhnya diubah menjadi energi potensial . Persamaan diatas merupakan dasar dari gerak harmonik sederhana (ghs).
Energi kinetik ketika sebuah bandul berayun atau ketika benda pada ujung pegas menjauh/mendekat dari titik setimbang, sepenuhnya diubah menjadi energi potensial .
Gerak harmonik sederhana pada pegas dapat digunakan untuk membuktikan nilai percepatan gravitasi bumi. Mulyadi abdul wahid1,2, eka tiara1, intan rauh riantin1, . Energi kinetik ketika sebuah bandul berayun atau ketika benda pada ujung pegas menjauh/mendekat dari titik setimbang, sepenuhnya diubah menjadi energi potensial . Contoh gerakan ini bisa dilihat pada bandul atau per. Gerak harmonis sederhana pada pegas · f=\frac{1}{t} · \frac{1}{2}mv^{2}+\frac · v^{2}= \frac{k}{m}(a · v^{2}= \frac{k}{m}a^ · \frac{1}{2}{mv_{0}}^{. Gaya ini menjadi gaya pulih bagi massa yang menempel pada pegas sehingga membuat benda kembali ke titik . Persamaan diatas merupakan dasar dari gerak harmonik sederhana (ghs). This research was conducted to . Gerak harmonik sederhana adalah gerak bolak balik secara teratur melalui titik keseimbangannya dengan banyaknya getaran benda dalam setiap . Hubungan antara gaya tarik pada pegas dengan pertambahan panjang pegas. Penggunaan metode analisis citra untuk menganalisa gerak harmonik sederhana pada pegas dan bandul.
Persamaan diatas merupakan dasar dari gerak harmonik sederhana (ghs). Hubungan antara gaya tarik pada pegas dengan pertambahan panjang pegas. Gerak harmonik sederhana adalah gerak bolak balik secara teratur melalui titik keseimbangannya dengan banyaknya getaran benda dalam setiap . Gaya ini menjadi gaya pulih bagi massa yang menempel pada pegas sehingga membuat benda kembali ke titik . Gerak harmonis sederhana pada pegas · f=\frac{1}{t} · \frac{1}{2}mv^{2}+\frac · v^{2}= \frac{k}{m}(a · v^{2}= \frac{k}{m}a^ · \frac{1}{2}{mv_{0}}^{.
Contoh gerakan ini bisa dilihat pada bandul atau per.
Gaya ini menjadi gaya pulih bagi massa yang menempel pada pegas sehingga membuat benda kembali ke titik . This research was conducted to . Persamaan diatas merupakan dasar dari gerak harmonik sederhana (ghs). Hubungan antara gaya tarik pada pegas dengan pertambahan panjang pegas. Mulyadi abdul wahid1,2, eka tiara1, intan rauh riantin1, . Gerak harmonis sederhana pada pegas · f=\frac{1}{t} · \frac{1}{2}mv^{2}+\frac · v^{2}= \frac{k}{m}(a · v^{2}= \frac{k}{m}a^ · \frac{1}{2}{mv_{0}}^{. Penggunaan metode analisis citra untuk menganalisa gerak harmonik sederhana pada pegas dan bandul. Energi kinetik ketika sebuah bandul berayun atau ketika benda pada ujung pegas menjauh/mendekat dari titik setimbang, sepenuhnya diubah menjadi energi potensial . Contoh gerakan ini bisa dilihat pada bandul atau per. Gerak harmonik sederhana adalah gerak bolak balik secara teratur melalui titik keseimbangannya dengan banyaknya getaran benda dalam setiap . Gerak harmonik sederhana pada pegas dapat digunakan untuk membuktikan nilai percepatan gravitasi bumi.
Gerak Harmonis Sederhana Pada Pegas. Persamaan diatas merupakan dasar dari gerak harmonik sederhana (ghs). Mulyadi abdul wahid1,2, eka tiara1, intan rauh riantin1, . Energi kinetik ketika sebuah bandul berayun atau ketika benda pada ujung pegas menjauh/mendekat dari titik setimbang, sepenuhnya diubah menjadi energi potensial . Gerak harmonik sederhana pada pegas dapat digunakan untuk membuktikan nilai percepatan gravitasi bumi. This research was conducted to .


